Плита шуровочная. 504.2.15; 00.7032.071 — цена, характеристики | Сибкотломаш

Плита шуровочная. 504.2.15; 00.7032.071

Собственное производство
Гарантия производителя
Изготовление: 20 рабочих дней
Технические характеристики
Тип Плита шуровочная
Артикул 504.2.15
Материал Сталь жаростойкая
Масса, кг Уточняется
Габариты, мм Уточняется
Цена по запросу

Описание

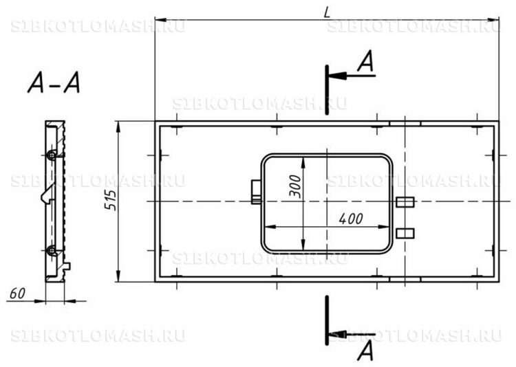
Плита шуровочная. 504.2.15; 00.7032.071 — запасная часть топок ЗП-РПК (зеркала парообразования — решётки с переталкивающими колосниками) производства завода «Сибкотломаш» г. Бийск. Шуровочная плита передней части топки ЗП-РПК

Завод «Сибкотломаш» производит запасные части с соблюдением требований конструкторской документации. Детали прошли контроль качества и полностью взаимозаменяемы с оригинальными комплектующими.

Технические характеристики Плита шуровочная. 504.2.15; 00.7032.071

Тип — Плита шуровочная, артикул — 504.2.15, материал — Сталь жаростойкая. Детали соответствуют требованиям по климатическому исполнению согласно ГОСТ 15150-69.

Применение оригинальных запасных частей завода «Сибкотломаш» гарантирует надёжную работу оборудования и снижает риск аварийных остановок котельной.

Назначение и применение

Плита шуровочная. 504.2.15; 00.7032.071 применяется в составе топок ЗП-РПК (зеркала парообразования — решётки с переталкивающими колосниками). Ознакомьтесь с каталогу запчастей для топок ЗП-РПК.

Совместимое оборудование

Плита шуровочная. 504.2.15; 00.7032.071 совместима с топок ЗП-РПК (зеркала парообразования — решётки с переталкивающими колосниками). При заказе укажите точный артикул для подтверждения совместимости.

Специалисты завода «Сибкотломаш» готовы проконсультировать по подбору запасных частей.

Заказ и доставка

Для заказа Плита шуровочная. 504.2.15; 00.7032.071 обратитесь к менеджерам завода «Сибкотломаш» г. Бийск. Поставка осуществляется транспортными компаниями по всей России. Срок изготовления при отсутствии на складе — от 5 рабочих дней.

При оформлении заказа укажите артикул 504.2.15 и необходимое количество. Для постоянных клиентов предусмотрены специальные условия поставки.

Полные технические характеристики
Тип Плита шуровочная
Артикул 504.2.15
Материал Сталь жаростойкая
Масса уточняется
Габариты уточняется
Назначение Шуровочная плита передней части топки ЗП-РПК
Совместимое оборудование топок ЗП-РПК (зеркала парообразования — решётки с переталкивающими колосниками)

Получите расчёт стоимости

Оставьте заявку сегодня — зафиксируем стоимость и забронируем место в производственном графике.

* Цена может меняться и не является публичной офертой. Указанные в описании комплектующие не входят в базовую комплектацию. Подробности можно узнать по email: sales@sibkotlomash.ru