Корпус подшипника. 1Д.00.00.002 — цена, характеристики | Сибкотломаш

Корпус подшипника. 1Д.00.00.002

Собственное производство
Гарантия производителя
Изготовление: 20 рабочих дней
Технические характеристики
Тип Корпус подшипника
Артикул 1Д.00.00.002
Материал Чугун СЧ-20
Масса, кг Уточняется
Габариты, мм Уточняется
Цена по запросу

Описание

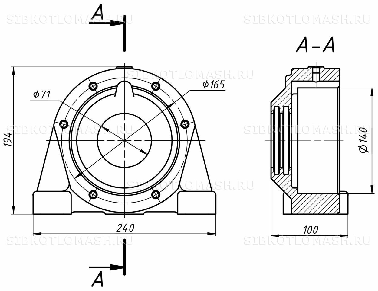
Корпус подшипника. 1Д.00.00.002 — запасная часть дробилок угля ВДГ-10, ВДП-15 производства завода «Сибкотломаш» г. Бийск. Корпус подшипника вала дробилки 1Д / ВДГ-10

Завод «Сибкотломаш» производит запасные части с соблюдением требований конструкторской документации. Детали прошли контроль качества и полностью взаимозаменяемы с оригинальными комплектующими.

Технические характеристики Корпус подшипника. 1Д.00.00.002

Тип — Корпус подшипника, артикул — 1Д.00.00.002, материал — Чугун СЧ-20. Детали соответствуют требованиям по климатическому исполнению согласно ГОСТ 15150-69.

Применение оригинальных запасных частей завода «Сибкотломаш» гарантирует надёжную работу оборудования и снижает риск аварийных остановок котельной.

Назначение и применение

Корпус подшипника. 1Д.00.00.002 применяется в составе дробилок угля ВДГ-10, ВДП-15, предназначенного для измельчения топлива и его подачи к котельным агрегатам. Ознакомьтесь с каталогу запчастей для дробилок ВДГ-10, ВДП-15.

Совместимое оборудование

Корпус подшипника. 1Д.00.00.002 совместима с дробилок угля ВДГ-10, ВДП-15. При заказе укажите точный артикул для подтверждения совместимости.

Специалисты завода «Сибкотломаш» готовы проконсультировать по подбору запасных частей.

Заказ и доставка

Для заказа Корпус подшипника. 1Д.00.00.002 обратитесь к менеджерам завода «Сибкотломаш» г. Бийск. Поставка осуществляется транспортными компаниями по всей России. Срок изготовления при отсутствии на складе — от 5 рабочих дней.

При оформлении заказа укажите артикул 1Д.00.00.002 и необходимое количество. Для постоянных клиентов предусмотрены специальные условия поставки.

Полные технические характеристики
Тип Корпус подшипника
Артикул 1Д.00.00.002
Материал Чугун СЧ-20
Масса уточняется
Габариты уточняется
Назначение Корпус подшипника вала дробилки 1Д / ВДГ-10
Совместимое оборудование дробилок угля ВДГ-10, ВДП-15

Получите расчёт стоимости

Оставьте заявку сегодня — зафиксируем стоимость и забронируем место в производственном графике.

* Цена может меняться и не является публичной офертой. Указанные в описании комплектующие не входят в базовую комплектацию. Подробности можно узнать по email: sales@sibkotlomash.ru